ABSTRACT:
Repetitive
control which can achieve zero steady-state error tracking of any periodic
signal with known integer period, offers active power filters a
promising accurate current control scheme to compensate the harmonic distortion
caused by nonlinear loads. However, classical repetitive control cannot exactly
compensate periodic signals of variable frequency, and would lead to
significant performance degradation of active power filters. In this paper a
fractional order repetitive control strategy at fixed sampling rate is proposed
to deal with any periodic signal of variable frequency, where a Lagrange interpolation
based fractional delay filter is used to approximate the factional delay items.
The synthesis and analysis of fractional-order repetitive control systems are
also presented. The proposed fractional-order repetitive control offers fast on-line
tuning of the fractional delay and the fast update of the coefficients, and
then provides active power filters with a simple but very accurate real-time
frequency adaptive control solution to the elimination of harmonic distortions
under grid frequency variations. A case study of single-phase shunt active
power filter is conducted. Experimental results are provided to demonstrate the
validity of the proposed fractional-order repetitive control.
KEYWORDS:
1. Active power filter
2. Fractional order
3. Repetitive control
4. Frequency variation
SOFTWARE: MATLAB/SIMULINK
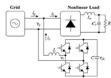
CIRCUIT DIAGRAM:
Fig.
1. Single-phase shunt APF connected to the grid with nonlinear load.
CONTROL SYSTEM
Fig. 2.
Dual-loop control scheme for single-phase APF.
EXPECTED SIMULATION RESULTS:
Fig. 3. Steady-state responses at 50Hz
without APF: (a) grid voltage vg and grid current ig,
(b) harmonic spectrum of vg, (c) harmonic spectrum of ig.
Fig. 5. Steady-state responses at 50Hz
with CRC controlled APF: (a) grid voltage
vg and grid current ig, (b) harmonic
spectrum of compensated ig.
Fig. 4. Steady-state responses at 49.8Hz
with CRC controlled APF: (a) grid voltage vg and grid current
ig, (b) compensation current ic, reference
current iref and current tracking error, (c) harmonic
spectrum of ig.
Fig. 5. Steady-state responses at 49.8Hz
with FORC controlled APF: (a) grid voltage vg and grid
current ig, (b) compensation current ic,
reference current iref and current tracking error, (c)
harmonic spectrum of ig.
Fig. 6. Steady-state responses at 50.2Hz
with CRC controlled APF: (a) grid voltage vg and grid current
ig, (b) compensation current ic, reference
current iref and current tracking error, (c) harmonic
spectrum of ig.
Fig. 7. Steady-state responses at 50.2Hz
with CRC controlled APF: (a) grid voltage vg and grid current
ig, (b) compensation current ic, reference
current iref and current tracking error, (c) harmonic
spectrum of ig.
Fig. 8. Responses to step changes of
grid frequency: (a) 49.5Hz→50.5Hz,
(b)
50.5Hz→49.5Hz.
Fig. 9. Responses to step load changes
at 49.8Hz fundamental frequency: (a) R 15Ω→30Ω,
(b) R 30Ω→15Ω.
CONCLUSION:
This paper proposes a frequency adaptive
FORC scheme with fixed sampling rate to track or eliminate any periodic signal
with variable frequency. Using Lagrange interpolation based FD filter to
approximate the fractional delay items in RC, the proposed FORC offers fast
on-line tuning of the fractional delay and the fast update of the coefficients.
It provides APFs with a simple but very accurate real-time frequency adaptive control
solution to harmonics distortions compensation under grid frequency variations.
The stability criteria of FORC systems are given, which are compatible with
those of CRC systems. A study case of FORC based single-phase shunt APF is
done. Experiment results show the effectiveness of the proposed FORC strategy.
Furthermore, the Lagrange interpolation based FORC can be used in extensive
applications, such as the feeding currents control of grid connected converters
[10]-[11], [27], programmable AC power supply [28], active noise cancelation,
and so on.
REFERENCES:
[1] H. Akagi, “New trends in active
filters for power conditioning,” IEEE Trans. Ind. Applicat., vol. 32,
no. 6, pp. 1312-1322, Nov./Dec. 1996.
[2] H. Akagi, “Active harmonic filters,”
Proceedings of the IEEE, vol. 93, no. 12, pp. 2128-2141, Dec. 2005.
[3] Y. Han, L. Xu, M. M. Khan, C. Chen,
G. Yao, and L. Zhou, “Robust deadbeat control scheme for a hybrid APF with
resetting filter and ADALINE-based harmonic estimation algorithm,” IEEE
Trans. Ind. Electron., vol. 58, no. 9, pp. 3893-3904, Sep. 2011.
[4] M. Angulo, D. A. Ruiz-Caballero, J.
Lago, M. L. Heldwein, and S. A. Mussa, “Active power filter control strategy
with implicit closed-loop current control and resonant controller,” IEEE
Trans. Ind. Electron., vol. 60, no. 7, pp. 2721-2730, Jul. 2013.
[5] P. Mattavelli and F. P. Marafao,
“Repetitive-based control for selective harmonic compensation in active power
filters,” IEEE Trans. Ind. Electron., vol. 51, no. 5, pp. 1018-1024,
Oct. 2004.









